Glas doras comh-aireachta tionsclaíochIs é an príomh-chomhpháirt cosanta de chomh-aireachta dáileacháin, comh-aireachta cumarsáide, bosca rialaithe agus trealamh eile, a bhaineann go díreach le sábháilteacht na gcomhpháirteanna leictreacha inmheánacha agus oibriú cobhsaí an chórais.
Chun na ceanglais éagsúlaithe a bhaineann le ham seachadta agus sonraíochtaí do thionscadail éagsúla a chomhlíonadh, tá cúig chineál glais a úsáidtear go coitianta i stoc ag ár gcuideachta i gcónaí --Glas Barra Fada, Glas Painéil, Slat Rialaithe Lock, Láimhseáil Lock,Glas Teanga Rothlach. Ag an am céanna, tacaímid le haon ghlas neamhchaighdeánach atá saincheaptha de réir líníochtaí nó samplaí, atá oiriúnach go foirfe do gach cineál boscaí dáileadh miotail.
Tá glas eitleáin ar cheann de na cineálacha glais dorais comh-aireachta tionsclaíocha is coitianta, álainn agus éasca le cothabháil. Sheol ár gcuideachta an glas eitleáin sraith AB301, AB302, AB303, AB402, AB403, i neart struchtúrach, feidhmíocht cosanta agus mothú oibriúcháin an dearadh difreáilte, is féidir le sonraíochtaí éagsúla an bhosca dáileadh a chomhlíonadh, ceanglais suiteála comh-aireachta rialaithe.
| Toisí | Uimhir Táirge | |||||||
| L1 | L2 | L3 | B1 | B2 | Plátáil chrome liath | Péint spraeála liath | Púdar dubh brataithe | Meáchan(g) |
| 147 | 117 | 72 | 33 | 26.5 | AB301-1-1.2 | AB301-1-1.8 | AB301 | 370 |
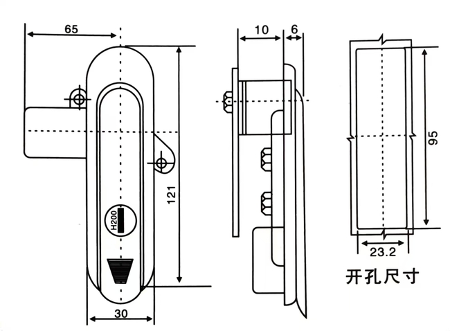
| 120.5 | 95.5 | 65 | 30 | 23.5 | AB301-2-1.2 | AB301-2-1.8 | AB302 | 290 |
| 87.5 | 62.5 | 65 | 28.5 | 23.5 | AB301-3-1.2 | AB301-3-1.8 | AB303 | 215 |
Príomhábhar: cóimhiotal since.
Cóireáil dromchla: chrome geal, Neamhlonrach, dubh.
Feidhm agus úsáid: Oscailt an dorais chlé agus ar dheis a bhaint amach, éasca le húsáid, le feidhm séalaithe agus uiscedhíonach.
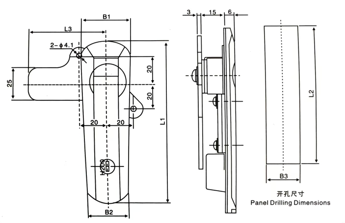
Príomhábhar: cóimhiotal since.
Cóireáil dromchla: chrome geal, Neamhlonrach, dubh.
Feidhm agus úsáid: Oscailt an dorais chlé agus ar dheis a bhaint amach, éasca le húsáid, le feidhm séalaithe agus uiscedhíonach.
Ábhar: comhlacht glasála cóimhiotail since, seafta rothlach, bolt cruach ghalbhánuithe, pláta brú.
Cóireáil dromchla: spraeála nana liath airgid.
Cur síos ar an struchtúr: Rothlaigh 90 céim le hoscailt nó glasáil.
| MODEL | L1 | L2 | L3 | B1 | B2 | B3 |
| NUA AB402-A | 123 | 95.5 | 65 | 36.5 | 30 | 23.5 |
| NUA AB403-A | 91 | 62.5 | 65 | 33 | 28.5 | 23.5 |
| NUA AB401-A | 151 | 117 | 72 | 36 | 30 | 26.5 |
